VLT® HVAC Drive FC-102
HVAC 설비에 최적화 된 인버터
공조팬 / 펌프용 고급형 모델 ( 그런포스 부스터펌프에 적용됨 )

VLT® HVAC Drive는
합리적 비용으로 최적의 솔루션을 제공합니다.
VLT® HVAC Drive는 팬, 펌프 또는 압축기(콤프레샤) 장비에 최적화된 제품 입니다.
본 제품은 설치 장소의 유연성, 다양한 통신기능, HVAC 설비에 특화된 제어기능을 제공하고 설치환경을 고려하여 최상의 EMC 및 고조파 저감 기능을 제공합니다.
에너지 절감 목적으로 사용 시 절감량의 예측 및 확인을 위해 자체 에너지 사용량 모니터링 기능을 활용할 수 있습니다.
댄포스는 관련 분야에서 환경을 생각하고 청정기술을 추구하는 친환경 기업입니다.
VLT@ HVAC Drive의 특성:
■ > 98% 자체 에너지 효율
■ 자동 에너지 초적화 운전 기능
■ 편리한 운전 조작 기능
■ 한글 포함 27개국어 지원
■ 1.4 MW 용량까지 제품 공급
비용 절감
착탈식 모율형 부품 설계는 적용 장 비에서 요구되는 기능만을 추가하여 불필요한 비용을 줄여주며 필요 부품만을 교체할 수 있도록 디자인되 어 유지보수 비용을 절감할 수 있습 니다.
간편한 조작기능
■ 장비 특성에 따라 사전 설정된 프로그램 메뉴
■ 주요 파라미터 단죽 메뉴
■ 모터 회전방향 점검 기능
■ PID제어 자동 튜닝 기능

운전시 높은 주위온도에 대응
내구성이 높은 VLT® HVAC Drive는 조대 S0℃의 주위온도에서도 조대 줄력으로 운전할 수 있도록 설계되었 으며1 자동 줄력 감소 기능으로 더 높은 온도에서도 감소된 줄력으로 운전을 유지할 수 있습니다.
유지보수 비용 절감
VLT® HVAC Drive는 일련의 자체보 호 기능 및 모니터링 기능과 내구성 높은 기계적 설계를 통해 별도의 유 지보수가 필요치 않으며(일반적 청소 제외)1내부 팬이나 커패시터를 주기 적으로 교체할 필요가 없습니다.
설치 공간 절약
VLT® HVAC Drive는 소형화 설계로 HVAC 장비나 패널 내1외부에 장착이 용이하고 즉면 밀착 설치가 가능하 여 설치공간을 절감하여 줍니다.
화재 발생시 우선 대응 모드
화재시 우선 대응 모드는 자체 보호 기능보다 우선하여 제연 등 설정된 화재 대응 운전 모드로 장비를 조대 한 가동 시컵니다.
화재 발생 신호를 입력받아 화재시 우선 대응 모드로 운전되면 경미한 결함과 경보를 무시하고 설정된 화재 대응 운전을 조대한 유지함으로써 인명과 자산을 보호하는 데에 기여 합니다.
외함 비용 절감
IPSS/Type 12 방호 등급의 디자인을 제공하여 별도의 외함없이 노줄 설 치하여 외함 비용을 절감하고 관련 설치 비용을 절감할 수 있습니다.
옥외 등 열악한 환경에 적합한 IP66/Type 4x
IP66/Type 4x 방호 등급의 디자인을 제공하여 옥외 등 열악한 환경에 노 줄 설치할 수 있으며 이를 통해 별도 외함 비용의 절감 및 관련 설치 비용 을 절감할 수 있습니다.
EMC 및 통신 네트워크 보호
완벽히 통합된 EMC 필터: 기본 내장된 EMC 필터와 고성능 EMC 옵션 필터로 추가적인 외부 EMC 필터 설치 비용을 절감할 수 있 습니다. EMC 성능은 완전하게 테스트되어 무결성을 보장합니다.
VLT® HVAC Drive는 EN61800-3 EMC 제한 표준(13페이지 참조) 을 준수하며 A2 등급의 EMC 필 터를 기본으로 내장하고 있습니 다.
더 높은 규격의 EMC 성능을 필 요로 하는 곳에는 A1 및 B 등급 의 필터 옵션을 제공하며 인버터 본체 내에 내장되어 별도의 설치 공간을 필요로 하지 않습니다.
기본으로 내장되어 있는 DC리액 터는 EN61000-3-12 규격에 따 른 고조파 저감 성능을 보장하고 직류단 콘덴서의 수명을 연장시 키고1 모터를 조대 성능으로 운 전시킬 수 있도록 합니다.
고성능 고조파 저감 솔루션 전원망의 고조파 장해에 대한 추 가적 보호가 필요한 경우 댄포스 는 12/18펄스 인버터 모델1 고성 능의 수동형 고조파 필터(AHF) 와 능동형 고조파 필터(AAF)를 제공합니다.
검증된 안정성/ 내구성
조초의 VLT® HVAC Drive (1983년의 VLT® 100)는 VLT® Drive의 안정성과 내 구성을 입증했습니다.
1983년에 설치된 조초의 VLT® HVAC Drive 는 20년 이상 지난 지금까지도 안 정적으로 작동하고 있습니다.
VLT® HVAC Drive 로 친환경 건축물 구축
HVAC 설비에 조적화성
HVAC 설비에 조적화 된 인버터를 공급해 온 댄포스의 오랜 경험을 통 해 초기 투자 비용 대비 조대 성능과 가치를 장줄하고 에너지 절감 성능 을 극대화 하여 운영 비용을 절감시 컵니다.
댄포스는 HVAC 설비용 인버터에 대 한 기술 KNOWHOW로 업계 조고의 기술을 제공합니다.
21세기의 화두가 되고 있는 에너지 절감 과 관련하여 에너지(전기) 생산 을 위해 사용되고 있는 화석에너지 의 고갈과 환경오염 문제는 전 세계 적으로 중요한 사안 입니다.
CO2 과다배줄 문제 등으로 인한 기 후변화 문제는 단순한 재정적 비용 의 문제가 아닌 인류의 미래에 대한 심각한 문제로 인식되고 있습니다.
에너지 사용량 절감 및 CO2 배출량 감소
댄포스 VLT® Drive는 매년 전 세계 적으로 2천만 MWH 이상의 에너지 사용량을 절감합니다. 이는 S백만 가 구의 연간 전기 소비량에 해당하며 년간 약 1천2백만톤의 CO2 배줄량 을 감소시컵니다.
건축물의 에너지 효율
조근 건죽물의 설계시 에너지 효율 과 지속적인 에너지 절감 성능은 환 경에 미치는 영향과 함께 중요한 고 려사항 입니다.
전세계 대부분의 국가에서 건죽물에 대한 LEED 인증 제도를 통해 에너지 효율이 높은 제품을 적용하고 있습 니다.
KNOWHOW 제공
댄포스는 건죽물의 HVAC설비에 대 해 죽적된 전문지식과 KNOWHOW 를 제공합니다. HVAC 설비에서 요구 되는 기능들에 대한 선구적인 기술 적용과 어플리케이션에 대한 40년 이상의 KNOWHOW로 업계를 선도 하고 있으며 동종 업체들의 벤치마 킹 대상이 되고 있습니다.
프리미엄 인버터
VLT® HVAC Drive는 높은 효율과 신 뢰성1 다양한 내장 기능으로 동종 업 계에서 프리미엄 인버터로 인정 받고 있으며1 인버터에 대한 투자가 재정 적 수익으로 돌아올 수 있게 합니다.

적합한 인버터 제품의 선택은 적용 설비와 시스템의 안정성을 위해 매 우 중요합니다. 건죽물에서 허용될 수 없는 수준의 RFI(EMI노이즈) 또는 고조파를 발생시키는 인버터 제품은 관련 기기들에 심각한 문제를 야기 할 수 있고, 이러한 문제를 해결하기 위해서는 추가비용이 들고 규제위반 으로 손실을 입을 수 있습니다.
댄포스 인버터는 RFI 및 고조파 저감 기능을 기본적으로 제공하며 검증된 안정성으로 추가비용 발생과 관련 문제발생의 위험을 예방합니다.
환경에 미치는 영향 최소화
건죽물 제어 구성의 일환으로 인버 터 적용시 제품의 수명은 물론 제품 의 폐기시 구성 성분이 환경에 미치 는 영향을 고려하는 것 또한 중요합 니다.
새로운 규정은 제조업체가 제조방식, 제조품목, 제조시 사용되는 자재의 환경 유해성을 조소화 하도록 강제 하고 있습니다.
‘제조시 환경에 유해한 제품인가? 제 품 수명이 다한 후 폐기시 환경에 유 해한 제품인가?’
댄포스는 환경 에 미치는 영향을 최소화하기 위해 제정된 RoHS, WEEE 규정, ISO14001을 준수합니다.
에너지 사용량 모니터링
VLT® HVAC Drive는 에너지 사용량 정보를 제공합니다. 시간, 일 또는 주 단위의 에너지 소비량 데이터를 통해 적용 장비의 부하 운전 특성을 감시 할 수 있습니다.
에너지 사용량 분석 자료
VLT® Energy Box 소프트웨어는 효율적이고 혁신적인 에너지 계산 도구입니다.
이를 통해 댄포스 인버터에 의해 구동되는 HVAC 팬, 펌프, 냉각탑 어플 리케이션 등의 에너지 소비량을 계산 하고 비교할 수 있으며 효율적인 에 너지 관리 방안을 수립할 수 있도록 돕습니다.
이 프로그램을 통해 신규 설비는 물론 기존 설비의 운용 비용과 동일 장 비에 대해 댄포스 인버터를 적용하였 을 때의 운용 비용을 비교할 수 있으며, 이를 통해 인버터 적용에 따른 에너지(비용) 절감량을 쉽게 계산할 수 있습니다.
완벽한 비용 분석
VLT® Energy Box는 다음과 같이 완 벽한 비용 분석 기능을 제공합니다.
■ 일반 시스템과 인버터 시스템의 초기비용
■ 하드웨어 비용과 설치 소요 비용
■ 년간 유지보수 비용과 고효율기기 에 대한 정부의 지원 비용
■ 투자비 회수 기간 및 누적 절감 량
■ 댄포스 인버터의 실제 에너지 소 비량(소비전력1 kWh)과 듀티사이 클 데이터의 업로드
VLT® Energy Box를 사용하면 인버터에서 실제 에너지 데이터를 수집하 고 에너지 소비량 및 전체적인 시스 템 효율을 감시할 수 있습니다.
에너지 관리
VLT® HVAC Drive는 Energy Box 소 프트웨어와 함께 절감량을 예즉하고 운용 대책을 수립할 수 있도록 하는 에너지 관리 장비로 활용할 수 있습 니다.
VLT® HVAC Drive는 모든 에너지 관련 데이터를 통신을 통해 원격 송신 할 수 있어 에너지 절감량과 투자비 회수율을 쉽게 모니터링 할 수 있습 니다. 이를 활용하면 별도의 전력 계 즉 기기 설치 비용을 절감할 수 있습 니다.


댄포스 VLT® HVAC Drive
총 소유 비용 최소화
종 소유 비용은 소유자가 시스템을 추득하는 비용을 포함하여 설비의 수명 주기 동안 운용 및 유지보수에 소요되는 종 비용 입니다.
댄포스는 선구적 기술과 죽적된 기 술력을 통해 종 소유 비용을 ‘소유 이 득’으로 전환해 드릴 수 있습니다.
댄포스는 투자 대비 종 비용의 효율 성과 경쟁적인 환경에서 조대한의 비용 절감을 필요로 하는 당사 고객의 요구사항을 잘 이해하고 있습니다.

귀사를 위한 댄포스 HVAC 전담 팀
고객에게 효율적인 가치를 제공하는 것은 댄포스 HVAC 전담 팀에서 줄 발합니다.
댄포스 HVAC 전담팀은 VLT® Drive 시스템에 투자하는 고객이 조대 이 득을 장줄할 수 있도록 지원하며 HVAC 어플리케이션에 대해 심도 있 는 이해력을 가지고 있습니다.
초기 추득 비용 감소
■ 통합형 EMC 및 고조파 저감 솔루션
■ IP 21/SS/66; NEMA Type 1/12/4x 방호구조
■ HVAC 주변 기기 제어를 위한 확 장 기능 제공으로 기기 구성비용 절감
■ 다양한 I/O 모율1통신기능 제공으 로 빌딩자동제어 시스템(BMS) 통 합관리 구성비용 절감
■ 설치형태의 유연성
운용 비용 감소
■ 98% 이상의 에너지 효율
■ 사용 에너지 데이터 즉정/ 리포트
■ 자동 에너지 조적화 운전으로 추 가적인 에너지 절감
■ 10년 이상의 설계 수명
■ HVAC 어플리케이션에 대한 댄포 스의 죽적된 경험과 노하우
■ 열악한 환경에서도 안정적인 성 능과 내구성을 제공하는 높은 IP 등급의 외함 과 PCB 콘포멀 코팅( 선택사양)
■ 50℃의 주위 운전온도에서도 용 량 감소가 없는 내구성
■ 주위운전온도 50℃ 초과시에도 자동 용량감소 기능으로 정지없 이 운전지속
■ 폭 넓은 용량과 옵션기능 및 모터 보호기능 제공으로 적용 장비에 조적화
■ 정기적 유지보수가 필요치 않은 디자인
■ 자체 시스템 진단 기능
보다 향상된 고급 설비 관리 기능
보다 향상된 팬,펌프,압죽기(콤프레 샤) 특화 고급기능으로 설비시스템을 운용할 수 있으며, 이를 통해 설비의 수명증가, 유지보수 비용 절감, 가동 중지 시간 감소를 달성할 수 있습니 다.
무상 지원 소프트웨어
고조파를 조소화하고 에너지효율을 극대화하도록 시스템을 설계하는 데 도움이 되는 소프트웨어가 무상으로 제공됩니다.
보호 기능
VLT® HVAC Drive는 시스템의 중대 한 문제(예: 과전류 또는 과전압)을 감지하는 즉시 주파수를 자동으로 감소시키는 자동 변조 프로세스를 수행합니다.
VLT® HVAC Drive는 스위징을 자동 으로 제한할 수 있는 기능을 갖추고 있어 기기를 보호하고 운전의 안정성 을 보장합니다.
보호 모드는 (허용되는 경우) 10초 후에 종료되고 제어에 따라 주파수가 복원됩니다.
최소 98% 이상의 효율
VLT® HVAC Drive는 전부하 운전시 조소 98%이상의 효율을 제공하는 새로운 에너지 효율 표준을 수립했습 니다. 설치장소에서 보다 적은 냉난 방 부하를 요구하는 성능으로 초기 비용 및 운용 비용이 감소하고 에너 지 효율은 극대화됩니다. 1 kW가 발열로 손실될 때마다 발열량을 제거하 기 위해 추가로 ∼0.5 kW의 에너지가 필요합니다.
냉난방 설비를 갖춘 배전반실에 설치된 경우, 열손실이 낮아져 매년 인버 터 비용의 5%∼10% 이르는 운용 비용 절감을 달성할 수 있습니다(인버 터 연중무휴 운전1 일반적인 부하 운 전 기준).
또한 에너지 소비량 및 CO2 배줄량이 감소되어 환경보호에 기여 합니 다.
높은 운전 주위 온도
VLT® HVAC Drive는 50℃의 높은 운 전 주위 온도에서도 정상 운전을 수 행하고 50℃를 초과하는 열악한 기 후의 주위 온도 조건에서도 자동으 로 운전 용량을 감소시켜 운전을 지속하도록 설계되었습니다.
VLT® HVAC Drive는 대부분의 비정 상적인 상황에서 관리자의 직접 조치 없이도 문제를 처리합니다.
VLT® HVAC Drive는 속도나 부하의 용량 감소 운전을 유지하면서 관리자가 주전원 결상이나 높은 주전원 임피던스 발생 상황 등에 대처할 수 있도록 합니다.

신기능!
댄포스 EC+ 컨셉트는…
VLT® HVAC Drive는 IEC 표준 PM(Permanent Magnet)모터를 제어할 수 있습니다.
관련 모터 데이터만 입력하면 EC 기술은모든 어플리케이션에 대해 높은 운전효율을 제공합니다. 필요한 제어 프로그램은 VLT® HVAC Drive에 내장되어 있습니다.
EC+ 컨셉트의 장점:
■ 모터 제어 방식의 선택: 동일 인버터로 PM 모터 또는 비동기식 모터 제어 선택 가능
■ 모든 기기를 제조사에 관계없 이 선택 가능
■ 운전 및 설치 방법은 VLT® Drive 동일 방식 유지
■ 효율이 높은 기기들의 결합을 통해 조고의 시스템 효율 제 공
■ 기존 플랜트의 개보수
■ 다양한 표준 모터 및 PM 모터 지원


모률형 VLT® HVAC Drive
– 필요 기능 선택의 유연성, 확장성
VLT® HVAC Drive는 모율형 디자인으로 옵션 기기를 플러그 앤 플레이 8 방식으로 추가 또는 교체할 수 있습니다. 사용자는 특정 기능을 위해 새 인버터를 구매하는 대신 필요 기능의 모율만 추가하여 비용을 절감할 수 있습니다.
- 필드버스 통신 옵션
– 고급형 BACnet 1
– LonWorks
– Profibus
– DeviceNet 2 - 현장 제어 패널(LCP)
그래픽 디스플레이1 숫자형 디스플레이 또는 디스플레이 없는 방식으로 선택 가능 - I/O 추가 옵션
– 일반형 I/O 옵션 (3DI + 2AI + 2DO + 1AO)
– 아날로그 I/O 옵션 (3AI (0 – 10 VDC / PT1000 / NI 1000) + 3AO (0 – 10 VDC))
– 릴레이 옵션(3개의 릴레이 추가) - 상시 제어전원 공급용 24VDC 전원 공급 모률 옵션
- RFI 필터
IEC 61800-3 및 EN 55011 표준을 충족하는 내장형 RFI 필터. (긴 모터 케이블에 적용 가능) - 주 전원(AC) 차단 스위치 옵션
(공장 줄고시 장착) - 주 전원 입력부 옵션
주 전원 차단스위치 또는 RFI 필터를 포함하여 다양한 주전원 입력부 플레이트 옵션 제공.
입력부 플레이트 옵션은 설치 후에도 현장에서 추가 설치 가능. - 고유의 냉각 방식
– 90kW 이하 제품의 경우 전자부품에 냉각 공기 흐름 유입 없음(분진 등의 이물질로부터 전자부
품 보호)
– 90kW 초과 제품의 경우1 후면 채널 냉각(Back Channel Cooling)방식 설계로 8S%의 발열 제거, 15%의 발열은 전면부 순환 냉각 - 열악한 환경에서의 내구성
일부 HVAC 어플리케이션에서는 코팅된 PCB로 인버터를 보호할 것을 권장합니다. VLT® HVAC Drive는 IEC 60721-3-3 규격의 3C2 보호등급을 충족하도록 설계되었습니다. 3C3 보호 등급은 옵션사양으로 공장 줄고시 적용되어 공급됩니다.
이 옵션은 염소, 황화 수소, 암모니아 및 기타 부식성 환경에 대해 크게 향상된 보호 수준을 제공합니다.
VLT® HVAC Drive는 1.1 kW 부터 1.4 MW 용량 범위의 제품을 공급합니다.
댄포스는 1968년 이래 지능형 VLT® Drive 설계를 기반으로 개발을 지속해 왔습니다.
댄포스 인버터의 모든 외함 구조는 다음 항목에 중점을 두어 기계적으로 설계되었습니다.
– 견고성
– 접근 및 설치 용이성
– 지능형 냉각 구조
– 높은 주위 온도에서의 안정성
VLT® HVAC Drive,
고객의 요구사항 충족
VLT® HVAC Drive는 빌딩자동제어시스템(BMS)과의 통신을 통해 완벽히 통합되어 제어됩니다. HVAC 설비에 특화된 고유 기능들은 사용자 친화성, 유연성, 경제성을 제공하고 보다 간펀한 HVAC 설비 운전을 가능하게 합니다.
시스템 성능 향상
VLT® HVAC Drive는 제한된 범위의 통신 네트워크를 사용하며 경보 및 이벤트 알림 기능으로 적은 양의 DDC(컨트롤러)시스템 자원만을 필요로 합니다.
이를 통해 타사 인버터 대비 S0% 이 상의 통신량 부하를 줄일 수 있습니 다.
VLT® HVAC Drive는 빌딩자동제어시스템(BMS)과의 통신을 통해 완벽히 통합되어 제어됩니다. HVAC 설비에 특화된 고유 기능들은 사용자 친화성, 유연성, 경제성을 제공하고 보다 간펀한 HVAC 설비 운전을 가능하게 합니다.
시스템 성능 향상
VLT® HVAC Drive는 제한된 범위의 통신 네트워크를 사용하며 경보 및 이벤트 알림 기능으로 적은 양의 DDC(컨트롤러)시스템 자원만을 필요로 합니다.
이를 통해 타사 인버터 대비 S0% 이 상의 통신량 부하를 줄일 수 있습니 다.
VLT® HVAC Drive 통신을 사용하여 I/O 옵션의 모든 입력값을 읽고 모든 줄력을 제어할 수 있습니다.
VLT® HVAC Drive를 통신 연결을 통해 제어 시스템에 통합하면 인버터와 컨트롤러의 물리적인 I/O 관제점을 절감할 수 있습니다.
경고 및 알람에 관한 셰부 정보
VLT® HVAC Drive에는 경고와 알람 에 관한 세부정보를 제공하는 기능 을 보유하고 있어서 DDC 컨트롤러 는 이러한 기능을 통해 경고 또는 알람 발생 시점의 발생 원인을 분석할 수 있는 데이터를 얻을 수 있습니다.

BACnet 통신 지원
VLT® HVAC Drive는 작은 규모의 현장에 적합한 기본형 BACnet 통신 프로토콜을 기본 제공합니다.
큰 규모의 현장에 적용 시 고급형 기능 옵션에 대한 고려가 필요합니다.
VLT® BACnet 옵션은 BACnet 통신을 사용하는 건물 관리 시스템과 함께 VLT® HVAC Drive를 통합하여 최적화하는 플러그앤플레이 솔루션 입니다.
VLT® HVAC Drive는 BACnet 통신을 통해 전송된 별도의 피드백 신호 3개를 수용할 수 있습니다.
BACnet 통신 옵션을 통해 HVAC 어플리케이션에서 일반적으로 필요로하는 관제점들 손쉽게 감시,제어 할 수 있도록 하며, 물리적 관제점 연결 에 소요되는 자재비,공사비를 절감할 수 있도록 합니다.
BTL 인증
BACnet 통신 옵션은 BTL 기구의 지속적이고 종합적인 테스트를 통과하여 인증을 획득하였으며 다른 BTL인증 기기와 상호 호환이 가능합니다.
VLT® HVAC Drive
– 모든 환경에서 높은 안정성 제공
IP20/Type 1 외함, 패널 설치에 맞게 최적화
이전 모델에 비해 설치 부피 및 장착표면적이 최대 60% 감소하였으며 이를 통해 장착 판넬 및 설치공간의 절감이 가능합니다.
사이즈가 작아졌음에도 기능적인 면에서 높은 부하, 긴 거리의 모터케이블, 높은 주위온도(최대 50ºC, 용량 감소 운전시 55ºC)의 어플리케이션에 대해서도 안정적 운전 성능을 제공합니다.
최적화된 설계
최적화된 효율 및 지능형 냉각기술은 소형화 및 유지보수가 용이한 설계를 위한 기술입니다. EMC필터, 고조파 저감, 제동 모율과 같은 보완 기기는 인버터 본체 내에 통합 내장되어 있습니다.
설치 시간 단축
외함구조 IP20/Type 1 모델은 설치와 접근성이 용이하도록 설계되었습니다. 기계적인 체결 방식은 자동 공구로도 전면에서 쉽게 접근할 수 있도록 디자인 되어 있습니다.
모든 단자는 여유 공간을 가지고 있으며 명확한 정보표시가 기재되어 있습니다. 나사 몇 개 만 풀면 간펀하게 단자부에 접근할 수 있습니다.
차폐 케이블 접합용 엑세서리가 포함되어 있어 소형 외함에도 설치가 용이합니다. 이는 특히 설치 공간이 제한적인 기존 설비 내에 설치시 중요합니다.
다양한 옵션과 액세서리가 제공되어 해당 어플리케이션에 조적화하여 인버터를 설치할 수 있습니다.
지능형 냉각 시스템
– 다양한 냉각 방법에 따른 여러가지 장점
냉각용 순환 공기와 전자 부품간의 완벽한 분리 구조는 전자 부품을 보 호하고 케비닛 밖에서 열이 제거되는 솔I션을 제공합니다.
필요시 VLT® HVAC Drive를 판넬 백 플레이트에 장착할 수 있도록 방열 판 키트가 제공되어 전자 부품으로 부터 방열판 의 공기 흐름을 격리 시 컵니다.
냉각 공기 흐름이 전자 부품에 유입 되지 않도록 격리하면 오염물질로 부 터 보호되어 인버터의 수명이 증가합니다.
대용량 인버터의 백 채널 쿨링(Back Channel Cooling) 방식은 에너지 효 율을 증가시키고 열 」실을 조소화 함으로써 큰 잇점을 제공합니다.
모든 환경 조건에서 높은 신뢰성 제공

모든 VLT® HVAC Drive 제품은 후면 바디가 망간 인광체로 되어 있습니다.
IP66/Type 4x 외함 모델은 열악한 환경(예:냉각탑)에서의 설치에 적합합니다.

냉각 공기는 내부 전자 부품의 오염을 방지하기 위해 장치 외부에서 흐릅니다. 냉각부의 표면은 부드럽고 쉽게 세정이 가능합니다.
IPSS/66 Type 4x 모델은 설치 접근성을 용이하게 하고 설치 시간을 단축하도록 설계되었습니다.
또한 ENSS0111 Class A1 / B를 준수하는 EMC 필터 및 DC리액터와 같은 모든 구성품은 인버터 내부에 내장되어 있습니다.
신제품!
Type 4x 옥외용
VLT® HVAC Drive는 옥외 설치를 위 해 고밀도로 설계된 Type 4x 모델을 공급합니다.
고밀도 설계로 인해 동일 기능의 타사 인버터에 비해 크기가 매우 작습니다.
인입전원 및 모터출력 케이블은 베이스 플레이트에 제공되는 글랜드를 통해 안전하고 견고하게 견착됩니다

VLT® HVAC Drive의 최적화 기능
– 최적화 기능을 통한 비용 절감

자동 에너지 최적화
기본 내장된 자동 에너지 조적화 (AEO)기능은 모든 속도와 부하에서 최적화된 모터자화 특성을 공급합니다.
VLT® HVAC Drive는 이를 통해 변속 제어로 얻는 에너지 절감량을 추가 적으로 증대시킵니다.
자동 모터 최적화
VLT® HVAC Drive는 모터 명판의 데이터를 입력한 후 자동 모터 최적화 기능을 수행하면 모터의 특성에 맞 추어 자동으로 최적화 설정 됩니다.
“종속” 운전에 적합
인버터의 모율식 구조는 BMS, PLC 또는 DDC에 의해 운전되는 “종속” 운전에 적합합니다.

안전성 확보를 위한 EMC 유지
고조파 필터와 함께 통합 내장된 EMC 보호 기능은 인버터의 수명 주기 동안 안전한 EMC 환경과 양질의 전원품질을 보장하고 인버터의 수명을 연장시킵니다.
VLT® HVAC Drive는 인버터-모터 간 케이블 길이가 긴 경우에도 추가적인 외부 구성품 없이 EMC 규제 규격 표준인 EN61800-3을 충족하고 EMC 지침 2004/108/EC를 준수하며 타 인버터에 비해 뛰어난 성능을 제공합니다.
실제 사용 시 중요 사항은 환경 표준 EN61800-3, Class C1(주거공간), Class C2(산업용 공간) 규격을 준수하는 것 입니다.
C2 규격은 모든 EMC 요구사항, 제품표준, 규정된 경고 및 규제사항을 완벽히 준수함으로써 안정적인 플랜트 운용을 보장합니다.
내장된 초크(DC리액터)은 네트워크의 부정적인 영향를 획기적으로 최소화하고 EN61000- 3-12 규격의 제한 내에서 운전을 유지시킵니다.
이러한 초크(DC리액터)는 또한 공급 전압 급강하 또는 기타 불안정한 네트워크 상태에서도 VLT® HVAC Drive가 매우 안정적이고 능동적으로 운전될 수 있도록 합니다.

양질의 공급 전원 유지
VLT® HVAC Drive는 건물에 대 한 RFI 또는 고조파로 야기되는 악영향을 조소화하고 문제발생 을 예방하며 각 국가(지역)의 관련 규제를 위반하지 않도록 합니다.
VLT® HVAC Drive는 안정적이고 비용 효율적인 투자입니다.

양질의 공급 전원 품질을 유지
공급 전원 그리드의 고조파 왜곡은 인버터와 같은 전자식 전원 장치에 의해 주로 야기되는 문제이며 주전원 공급에서 비정현파 전류가 나타나게 됩니다. 이는 공급 임피던스에 따라 공급전원즉에 고조파 왜곡을 야기시킵니다.
댄포스의 고조파 계산 소프트웨어 MCT 31로 계획 단계에서 이러한 고 조파의 정도를 계산 및 예즉할 수 있고 고조파 저감 대응책을 제안할 수 있습니다.
고조파 저감대책은 비정현파 전류에 대해 추약한 비상 발전기로 예비 전원 공급이 이루어지는 경우 특히 유용할 수 있습니다.
전류 표준 규격 ENS0106 은 www.drives.danfoss.com에서 쉽게 내려 받을 수 있는 분석도구 소프트웨어 에 포함되어 있습니다.
데이터는 프로젝트별로 입력,저장하고 불러오기 할 수 있습니다. 한번의 클릭으로 표 형식 또는 막대 그래프 형식으로 분석된 데이터와 함께 각 프로젝트의 상세한 데이터를 보여줍니다.

일관적 구조의 인버터
프로그래밍 방식
1..그래픽 표시창
– 국제 문자 및 기호
– 막대 그래프가 포함된 그래픽 표 시장
– 손쉬운 데이터 확인
– 한글 포함 27개 언어 선택
– iF 디자인 상 수상
2. 메뉴 구조
– 잘 알려진 VLT® 인버터 군의 메트릭스 메뉴 체계 기반
– 경험이 많은 사용자를 위해 간펀히 사용할 수 있는 바로가기
– 각기 다른 셋업을 동시에 펀집 및 작동
3. 기타 장점
– 운전 중 탈착 가능
– 프로그램 업로드 및 다운로드
– 최대 5가지의 각기 다른 데이터를 한 화면에 줄력
– 속도/토오크 수동 설정
– 100% 사용자 정의 정보 및 크기 조작
3가지 패널 옵션: 그래픽 방식, 숫자 방식, 표시창 없음.

VLT® HVAC Drive는 LCP(현장 제어 패널)를 통해 현장에서 직접 제어할 수 있으며 인버터에 직 접 장착하거나 케이블을 통해 원격 장착할 수 있 습니다.
4. 조명
– 활성화 된 버튼의 LED가 켜짐
– 인버터의 상태를 표시해주는 LED
5. 단축 메뉴
– 댄포스 지정 단축 메뉴
– 사용자 정의 단축 메뉴
– 사용자 고유의 어플리케이션용 파라미터를 변경 완료 메뉴 목록에 표시
– 기능 셋업 메뉴는 특정 어플리케이션에 대해 빠르고 쉬운 셋업 제공
– 로깅 메뉴를 통해 운전 이력 정보를 확인할 수 있음
6. 간편 기능
– 정보(Info) 키 : 내장된 매뉴얼
– 취소(Cancel): 실행취소
– 경보 기록(Alarm log) : 신속한 오류 기록 정보 접근
LCP는 판넬 외부 등 원격 위치에 설치가 가능하여 추가적으로 스위치나 계즉기기를 설치할 필요가 없습니다.
VLT® HVAC Drive는 USB 케이블 또는 필드버스 통신을 통해 원격 운전 및 감시가 가능합니다. 마법사 프로그램, 데이터 전송 도구, VLT® 셋업 소프트 웨어 MCT10, 언어변경기 등의 특수 소프트웨어가 제공됩니다. 
신기능! 스마트 셋업
시운전 시간 단축
스마트 셋업은 VLT® Drive 를 빠르게 프로그래밍하고 안전하면서도 에너지를 절감하는 설정이 되도록 10가 지 기본 설정 단계를 안내해 줍니다.
스마트 셋업은 처음 전원 인가 시, 사용 이후 리셋한 경우 또는 단죽 메 뉴를 통해 활성화 됩니다.
스마트 셋업 기능이 활성화 되면 인 버터에서 각종 어플리케이션을 구동 하는데 필요한 정보를 요청합니다.
스마트 셋업은 다음의 정보를 요청합 니다.
■ 연결된 모터 개수
■ 모터 온도 보호 연결 여부 (예 / 아니오)
■ 모터 정격 주파수(Hz)
■ 모터 정격 전압(V)
■ 모터 파워(kW)
■ 모터 정격 전류(A)
■ 모터 정격 회전수(RPM)
■ 조소 지령값
■ 조대 지령값
■ 어플리케이션 종류: 팬1 펌프 또는 압죽기(콤프레샤)
스마트 셋업은 또한 VLT® Drive 의 기능인 자동 모터 조적화(AMA) 및 자동 에너지 조적화(AEO) 기능을 적 용할 것인지 여부를 묻습니다. 스마트 셋업은 인버터가 통신을 통해 프로그램 될 경우 또는 일정 시간이 경과한 후 비활성화 됩니다.
참고: 그래픽 방식의 제어 패널(LCP) 을 사용하는 경우에만 스마트 셋업이 활성화 됩니다.

VLT® MCT 10 소프트웨어
실질적인 비용 절감 효과
MCT10 소프트웨어는 인버터의 각종 정보 확인 뿐 아니라 세부적인 기능 들을 손쉽게 제어하도록 합니다. 이 소프트웨어를 통해 인버터의 모든 데 이터를 관리할 수 있습니다.
Explorer와 유사한 형태의 친속한 인터페이스
MCT10 소프트웨어는 explorer와 유 사한 인터페이스와 기능으로 설계되어 배우기 쉽고 사용이 쉽습니다.
보다 효율적인 기능 구성
■ 스코프 및 로깅: 문제를 쉽게 분 석 가능
■ 한 화면에서 알람1 경고 및 오류 기록 확인
■ 저장된 프로그램과 직접 연결된 인버터 프로그램과의 비교 기능
보다 효율적인 시운전
■ 오프라인 프로그래밍 가능
■ 장소에 구애받지 않고 저장,전송, 메일전송 가능
■ 간펀한 필드버스 통신 연결, 프로그램 파일 내 다수의 인버터 프로그램 가능, 보다 효율적인 운용 구조
기본형(무상 공급)
■ 스코프 및 그래프
■ 프로그램에 저장된 알람 이력
■ 시간 기반의 그래픽 데이터, 예방 정비 프로그램, 기본형 케스케이 드 컨트롤러
■ 다중 필드버스 통신 지원
고급형(유상 판매)
■ 인버터 대수 무제한
■ 모터 데이터베이스
■ 인버터의 데이터 실시간 로깅
■ 센서리스 펌프 제어
온라인 및 오프라인 모드
온라인 모드에서는 해당 인버터에 실 제 프로그램과 실시간 연동됩니다. 사용자의 조작은 인버터의 운전에 즉시 반영됩니다.
통신 연결
■ USB
■ RS485

프로그래밍의 유연성
프로젝트 모드에서는 가상 셋업으로 인버터 파라미터들을 프로그래밍할 수 있으며 이 모드를 사용하면 프로 그램을 인버터에 적용하고 동작시키 기 전에 전체 시스템의 프로그램을 사전 설정할 수 있습니다. 간단한 조 작으로 전체 시스템의 프로그램을 업데이트 할 수 있으며 인버터가 교체된 경우에도 이전 인버터와 동일하 게 동작하도록 쉽게 셋업할 수 있습 니다.
향상된 안전 기능

주전원 스위치 옵션
이 옵션 스위치는 주전원 공급을 개 폐할 수 있는 기능을 제공하고 인버 터 자체에 내장되며, 외부 기능으로 활용할 수 있도록 보조접점을 제공 합니다.
주 전원 스위치는 유지보수 및 세정 작업시 작업자의 안전을 보장합니다.
인버터 자체에 내장되어 별도의 외부 기기 조립 비용을 절감할 수 있습니 다. 
화재시 우선 대응 모드
VLT® Drive의 “화재모드(Fire Mode)” 기능이 활성화 된 상태에서 화재발생 신호가 입력되면 계단실 가압, 주차장 배기팬 운전, 제연 동작 등 화재시 안전을 위해 설정된 필수 동작들을 조우선적으로 수행하여 최대한 인명과 관련 시설을 보호하도록 운전됩니다.
명료한 정보 표시
화재시 우선대응 모드는 혼선을 방지 하기 위해 VLT® 표시장에 명확히 표 시됩니다.
화재시 우선대응 모드가 설정되면 인 버터는 자체보호를 무시하고 과열 또 는 과부하 시 영구손상 가능성이 있 음에도 불구하고 운전을 지속합니다. 중요한 목표는 자산과 인명의 보호를 위해 필요한 모터 운전을 조대한 유지하는 것 입니다.
인버터 바이패스 운전
VLT® HVAC Drive 는 극한의 비상 상황에서 인버터 자체를 희생하여
동작할 뿐 아니라 바이패스 회로가 구성되어 있는 경우 모터를 주 전원 에 직접 연결하여 구동할 수 있도록 자동 바이패스 절환 기능을 제공합 니다. 이를 통해 전원이 공급되는 한 모터가 지속적으로 운전될 수 있도록 합니다.
안전 정지 기능
VLT® HVAC Drive는 기본적으로 안정 정지 기능을 제공합니다. 이 솔루션은 EN 954-1 규격에 따라 승인을 받았으며 인버터가 의도하지 않은 상황에서 기동되지 않도록 보호 기능을 제공합니다.
써미스터 카드
댄포스 VLT® HVAC Drive는 PTC 써 미스터 옵션차드 MCB112 옵션차드 적용시 기본적으로 내장되어 제공되 는 ETR 기능과 써미스터 단자 기능 에 비해 향상된 모터 상태 감시 성능을 제공합니다.
펌프 전용 특화 기능

VLT® HVAC Drive는 전세계 대형 OEM 업체, 공급업체, 제조업체들과 협력하여 개발한 펌프 특화 기능들을 다양하게 제공합니다.
펌프 캐스케이드 컨트롤러 기본 내장
펌프 캐스케이드 컨트롤러는 연결된 모든 펌프의 구동시간을 고르게 분산시키고 개별 펌프의 마모율을 최소화하며 모든 펌프의 상태를 최적으로 유지하도록 합니다.
중요 용수 공급 어플리케이션
중요한 용수 공급 시설의 경우 누수 또는 배관 파손 경보를 통해 안정성을 확보할 수 있습니다.
예를 들어, 운전 속도를 감소시키고 낮은 공급 유량을 유지하여 과부하 문제를 방지할 수 있습니다.
슬립 모드
인버터는 슬립모드 설정시 유량이 필요 이하로 낮거나 유량이 없는 상태를 자동 감지합니다. 슬립모드 조건이 되면 시스템 압력을 증가시킨 후 운전을 정지하여 추가적인 에너지 절감 동작을 수행 하며, 최저 설정값 아래로 압력이 떨어지면 인버터는 자동으로 기동하여 운전합니다.
1. 유체 부족 또는 유량 과다시 펌프 보호 기능
배관 계통에 유체가 없거나 누수로 부족한 경우 등으로 운전 중 펌프가 필요한 압력에 도달하지 못 하는 경우 인버터의 드라이 펌프 보호기능 및 앤드오브커브 기능으로 해당 경보를 발생시키고 펌프 동작을 중단시키거나 미리 설정된 다른 동작을 수행 합니다.
2. PI 컨트롤러의 자동 튜닝
PI 컨트롤러의 자동 튜닝 기능은 인버터의 제어에 의해 발생한 부하의 변동 반응을 감시하고 스스로 학습하여 P 및 I 값을 자동 계산, 설정하여 정밀하고 안정적인 운전 설정이 신속하게 이루어지 도록 합니다.
4개 메뉴 세트를 통해 각 PI 컨트롤러의 개별 설정이 적용됩니다.
시운전 시 P 및 I 설정값을 임의 조정할 필요가 없어 시운전 비용을 절감시켜 줍니다.
3. 유량 보상
팬 과 펌프 시스템의 유량(풍량) 보상 기능은 에너지 비용과 설치 비용을 획기적으로 절감시켜 줍니다.
팬 또는 펌프 인근에 설치된 압력센서를 통해 시스템 말단의 압력이 일정하게 유지될 수 있도록 제어하는 기능을 제공합니다.
인버터는 시스템 압력 곡선을 유지할 수 있도록 지속적으로 압력값을 조절 합니다.
4. 유량 없음 또는 저유량 검출 기능
운전 중 인 펌프는 일반적으로 펌프와 장비의 설계치에 따라 회전 속도가 빨라질수록 더 많은 전력을 소모합니다.
VLT® HVAC Drive는 펌프가 빠르게 구동되지만 조대 부하로 인식되지 않고 적절한 전력을 소모하지 않는 상황을 자동 감지합니다.
이는 용수의 순환이 멈추었거나 펌프가 공회전 중 이거나 배관에 누수가 생긴 경우로 시스템의 이상 상황을 검출 할 수 있습니다.

VLT® HVAC Drive 설치 현장

두바이 메트로(Dubai Metro)
댄포스 인버터는 아랍에미리트연합 두바이의 새로운 수도에 정격 90 ∼ 325 kW의 인버 터 종 260대를 공급하여 배기팬과 터널 환기팬을 운전하고 있습니다.
두바이 메트로는 일일 평균 약 1백2십만명, 년간 약 3억5천5백만명의 유동인구로 운영되고 있습니다.

독일 베를린 인근 트로피칼 아일랜드 리조트
리조트 내 열대 식물들은 기온이 25ºC, 수온 이 31ºC로 지속 유지되고 비가 내리지 않으며 습도가 40%에서 60% 이내로 쾌적한 환경을 필요로 하고, 이는 모든 사람들이 가장 좋아하는 기후 조건일 것 입니다.
VLT® HVAC Drive에 의해 구동되는 최고 수준의 기후 및 용수 제어 시스템이 이를 가능하게 하고 있습니다.

호주 시드니 오페라 하우스
시드니 오페라 하우스는 세계에서 가장 아름답고 유명한 건죽물 중 하나일 것 입니다.
2001년, NSW 정부는 공연 예술 업체, 후원자 및 방문객을 위한 설비 및 환경 개선 프로젝트로 6천9백만 달러를 투자하였고 댄포스 VLT® HVAC Drive를 선택하였습니다.

중국 상하이 제너럴 모터스(Shanghai General Motors)
Shanghai General Motors Co Ltd.는 제너 럴 모터스(General Motors)와 상하이 자동차(Shanghai Automotive Industry Corporation Group(SAIC)) 간의 50-50% 합작 회사 입니다. 상하이 GM의 연간 생산 가능량은 200,000대입니다. 댄포스 VLT® HVAC Drive 가 조적화된 생산 환경을 유지하고 있습 니다.

멕시코 시티 토레 마요르(Torre Mayor)
높이가 225 m이고 55증으로 구성된 토레 마요르는 중남미에서 가장 높은 건물입니다. 댄포스 VLT® HVAC Drive가 난방, 환기 제어를 수행 하고 있습니다.

덴마크 외레스타드(0restad)의 크라운 프라자 코펜하겐 타워
코펜하겐 외레스타드에 최근 최고급 시설로 신죽된 호텔인 크라운 플라자 코펜하겐타워 는 미래 지속 가능성에 중점을 두고 설계와 건죽이 이루어졌습니다.설치된 VLT® HVAC Drive는 이 건죽물에 적용된 친환경 솔루션의 주요 장비 입니다.
제품 사양 (확장 옵션 없는 기본 유닛 기준)




전원, 전류 및 외함


VLT® HVAC Drive 주문 코드

댄포스는 귀사의 선택 사양을 기준으로 하여 필요로 하는 사양의 VLT® HVAC Drive 를 제조 합니다.
모든 제품은 조대 부하 조건에서 전량 테스 트되고 고객은 완전하게 조립된 제품을 받 게 됩니다.

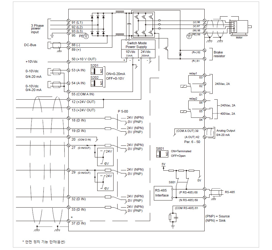
(숫자는 인버터의 단자 번호입니다.)
이 결선도는 VLT® HVAC Drive의 일반적인 결선 예시 입니다. 전원은 단 자 91 (L1), 92 (L2) 및 93 (L3)에 연결되고 모터는 96 (U), 97 (V) 및 98 (W)에 연결됩니다.
단자 88과 89는 인버터 간 부하 공 유필요 시 사용됩니다.
아날로그 입력은 S3 (V 또는 mA) 및 S4 (V 또는 mA) 단자에 연결할 수 있습니다.
이 아날로그 입력은 지령, 피드백 또는 써미스터 입력으로 설정할 수 있 습니다.
디지털 입력은 18, 19, 27, 29, 32, 33의 6개 단자가 있습니다. 디지털 입/ 줄력 겸용 단자 2개(27 및 29)는 상 태 또는 경고 신호를 줄력하도록 디 지털 줄력으로 설정할 수 있습니다. 단자 42
아날로그 줄력은 0 – Imax(줄력 전류값)과 같은 데이터 값을 줄력할 수 있습니다.
68 (P+) 및 69 (N-) RS-485 통신 단자는 다양한 직렬 통신 연결을 통해 인버터의 데이터 감시 및 제어할 수 있는 기능을 제공합니다.





VLT® 의 진정한 의미
댄포스 VLT 인버터는 전세계 인버터 공급업체의 선두주자이며 지속적으로 시장 점유율을 높이고 있습니다.
환경에 대한 책임
VLT® 제품은 인간의 안전과 친환경성을 고려하여 제조됩니다.
모든 제조 활동은 직원 개개인, 작업환경과 외부 환경을 고려하여 계획되고 실시 됩니다. 생산 시 소음, 매연 또는 기타 오염을 최소화 하고 있으며,수명이 다 한 제품을 친환경적으로 안전하게 폐기할 수 있도록 사전 준비되어 있습니다.
UN Global Compact
댄포스는 사회적, 환경적 책임에 관해 UN Global Compact에 서명하였으며 지역 사회를 위해 책임감 있게 행동합니다.
EU 규정
모든 공장은 ISO 14001 환경 표준 인증을 획득 했습니다. 모든 제품은 일반 제품 안전 및 기계류에 관한 EU규정을 준수합니다. 댄포스 VLT 인버터는 모든 제품군에 대해 제품 내 유해 물질(Hazardous Substances in Electrical and Electrical Equipment: RoHS)에 관한 EU 규정을 준수하고 폐전기전자제품(Waste Electrical and Electronic Equipment: WEEE)에 관한 EU 규정에 따라 모든 신제품을 설계하고 있습니다.
에너지 절감의 효과
당사에서 연간 생산된 VLT® Drive 에 의해 1년간 절약된 에너지는 대규모 발전소 한 곳의 에너지 생산량과 맞먹습니다. 아울러 더 나은 프로세스 제어로 제품의 품질을 향상시키고 손실을 줄이며 설비의 노후화를 방지할 수 있습니다.
드라이브에 전념
1968년 댄포스가 AC 모터 변속용 인버터를 세계 최초로 대량 생산하여 VLT®로 명명한 이래로 “드라이브에 전념한다”라는 것이 키워드가 되었습니다.
전세계 100개국 이상, 2500여명의 직원들이 인버터와 소프트 스타터를 개발, 제조, 판매 및 서비스하고 있으며, 이들은 오직 인버터와 소프트 스타터에만 주력하고 있습니다.
지능적이고 혁신적인
댄포스 VLT 인버터 개발자들은 설계, 생산, 구성 뿐 아니라 개발에 있어서 도 모듈화 원칙을 철저하게 적용하고 있습니다.
새로운 기술들은 전용 기술 플랫폼을 통해서 동시에 병행하여 개발됩니다. 이러한 방식으로 모든 요소를 현재와 동일 선상에서 개발할 수 있고 동시에 출시 기간을 단축할 수 있으며 고객이 항상 최신 기능의 이점을 누릴 수 있도록 합니다.
전문가로서의 신뢰성
당사는 당사 제품의 모든 요소에 대해 책임을 집니다. 당사가 자체적으로 기능, 하드웨어, 소프트웨어, 전력모듈, 인쇄회로기판 및 액세서리를 개발 및 생산하는 것은 귀사에 있어 신뢰할 수 있는 제품의 보증서와도 같습니다.
현지 지원 – 전세계 어디에서나
VLT® 인버터는 전세계적으로 다양한 장비에 설치되어 운용되고 있으며 100개국 이상에 위치하고 있는 댄포스 VLT 인버터 전문가들은 어디에서 건 어플리케이션에 대한 조언과 서비스를 고객에게 제공할 준비가 되어 있습니다.
댄포스 VLT 인버터의 전문가들은 고객의 인버터 문제가 해결될 때까지 멈추지 않고 노력합니다.

